
專業生產聯軸器及配套產品
個性化定制開發,為客戶量身定制行業專用設備
衡水市通大聯軸器有限公司坐落于人杰地靈、古韻猶存的冀中平原-衡水市冀州區,毗鄰國家濕地鳥類保護區、風光怡人的衡水湖畔。交通便利,地理條件優越。是一家集設計、研發、生產和銷售于一體的制造型企業,專業生產聯軸器及配套產品。
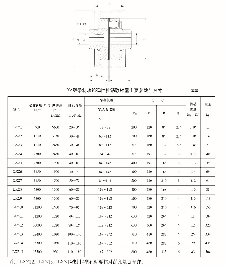
公司擁有現代化辦公設施,先進的生產設備,注重引進各類優秀人才,技術力量雄厚,工藝流程先進合理,檢測手段齊全,完全按照國家標準和機械部標準設計生產,不斷研究創新,嚴抓產品質量。我們的主要標準產品如下: 1.高彈性聯軸器 2.彈性聯軸器3.鼓型齒式聯軸器 4.限矩聯軸器5.氣動制動器 6.氣動離合器 7.帶制動輪聯軸器等幾大類,60多個品種,上千規格,在國內冶金、礦山、起重等行業廣泛使用。并可接受非標設計及制造。公司不斷開發新的市場,現產品已覆蓋到京、津、冀、晉等全國20多個省市自治區直轄市。
點擊了解詳情 →